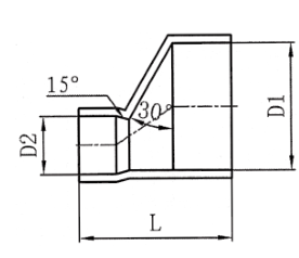
華亞蕪湖排水用PVC-U管件長型異徑管
長型異徑管
聯系人:曹經理
聯系電話:13529172589
郵政P.C:650000
郵箱E-mail:384135729@qq.com
地址:中國云南省 官渡區 雨龍路 良精水暖城 C區1棟3-5號
公司介紹
臺灣臺塑集團簡介
公司簡介
組織機構
公司榮譽
經營理念
工程業績
產品優勢
企業質量信用報告
新聞中心
公司新聞
公司公告
企業活動
行業新聞
產品展示
PVC-U管材、管件
PVC-M產品
PE管材、管件
PPR管材、管件
高爾夫用管
PE-RT產品
PVC膠合劑
PVC化工管
云南臺塑華亞塑膠有限公司.
13529172589
掃描二維碼可通過手機訪問